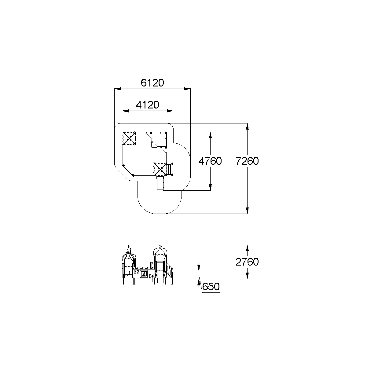
Песочный дворик должен представлять собой устойчивую, модульную конструкцию из игровых и развивающих элементов, обеспечивающие ребенку комфортные условия для игры на открытом воздухе в шахматной тематике. Песочный дворик должен состоять из 2-х башен с крышами, входной арки, песочницы, ограждением по периметру и декоративными элементами в шахматной тематике. К башне 1 с крышей перового типа, с высотой площадки не менее 650 мм, должны быть пристроены: горка, лестница, перекладины поручни, фанерное ограждение с волнообразной верхней гранью. К башне 2 с крышей второго типа, с высотой площадки не менее 300 мм, должны быть пристроены: счеты, ограждение фанерное с волнообразной верхней гранью и с художественной росписью шахматных фигур, перекладина, поручни, сиденье. Несущие столбы комплекса должны быть выполнены из клееного деревянного бруса сечением не менее 100х100 мм и иметь скругленный профиль с канавкой посередине. Сверху столб должен заканчиваться пластиковой заглушкой, снизу столб должен заканчиваться металлическим оцинкованным подпятником диаметром не менее 42 мм, который бетонируется в землю. Пол башен должен быть выполнен из деревянной доски толщиной не менее 40 мм. Ограждение 1 по периметру песочного дворика с зубчатой верхней гранью, ограждения башни 1 и башни 2, скамейки, должны быть изготовлены из влагостойкой окрашенной фанеры толщиной не менее 21 мм. Входная арка должна быть установлена на несущих столбах в виде двух арочных элементов, выполненных из влагостойкой окрашенной фанеры толщиной не менее 21 мм скрепленных между собой декоративной короной из влагостойкой фанеры толщиной не менее 9 мм. Горка должна состоять из ската, бортиков, защитной секции и защитной перекладины. Горка должна иметь стартовый участок высотой не менее 650 мм, участок скольжения и конечный участок. Скат должен быть изготовлен из единого листа нержавеющей стали толщиной 1,5 мм, утопленный в паз бортиков горки. Бортики горки, выполненные из влагостойкой фанеры толщиной не менее 21 мм должны быть высотой не менее 100 мм. Защитная перекладина должна быть выполнена из металлической трубы диаметром не менее 33 мм, побуждающая ребенка присесть и установлена на высоте не менее 600 мм от уровня поверхности стартового участка горки. Защитная секция горки должна быть выполнена из влагостойкой фанеры толщиной не менее 21 мм. Лестница высотой не менее 650 мм должна быть оснащена перилами, выполненные из деревянной доски толщиной не менее 40 мм, декоративными накладными элементами из влагостойкой фанеры толщиной 15 мм. Перила должны быть установлены от первой ступени. Ступени лестниц должны быть выполнены из ламинированной противоскользящей влагостойкой фанеры толщиной не менее 15 мм и деревянной доски толщиной 40 мм, склеенных между собой. Расстояние между ступенями должно быть одинаковым. Песочница должна состоять из бортов, выполненных из деревянной доски толщиной не менее 40 мм, декоративного фанерного ограждения в наружном углу в виде замка с окошками и угловых накладных элементов, выполненных из влагостойкой фанеры толщиной не менее 21 мм. Ограждение 2 по периметру песочного дворика должно быть выполнено из деревянной доски толщиной не менее 40 мм. Счеты должны состоять из двух металлических перекладин диаметром не менее 33 мм и пластиковых или деревянных «баранок». Перекладины и поручни должны быть выполнены из металлической трубы диаметром не менее 33 мм. Крыша башен первого типа должна состоять из 4-х скатов, выполненных из влагостойкой фанеры толщиной не менее 9 мм и 4-х фигурных фронтонов с художественной росписью шахматных фигур из влагостойкой фанеры толщиной не менее 15 мм. Крыша башен второго типа должна состоять из 4-х скатов, выполненных из влагостойкой фанеры толщиной не менее 9 мм и 4-х фигурных фронтонов из влагостойкой фанеры толщиной не менее 15 мм.
- Габаритные размеры: 4120x2760 мм
