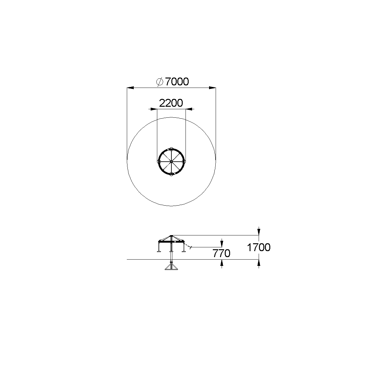
Карусель должна представлять собой устойчивую конструкцию, обеспечивающую безопасное вращение сетки для детей вокруг вертикальной оси. На обруче диаметром не менее 2000 мм, выполненного из стальной трубы, плотно оплетенной полиамидным канатом, должны быть установлены 4 гибкие подвески выполнены из металлической цепи диаметром 6мм с резиновыми сиденьями. Обруч должен крепиться к несущей стойке в центральной и верхней точке на 8-ми лучах из полипропиленового армированного каната аналогично в обоих случаях. Канаты должны быть надежно закреплены специальными пластиковыми креплениями и зажимами из алюминиевого сплава, позволяющими удерживать конструкцию под нагрузкой. В местах крепления канатов к наружному кольцу и центральной стойке должны быть использованы закрытые коуши. Несущая вертикальная стойка карусели выполнена из металлической трубы диаметром 100мм.
- Габаритные размеры: 2200x2200x1700 мм
